牛角插座系列
2.54mm牛角插座-直针
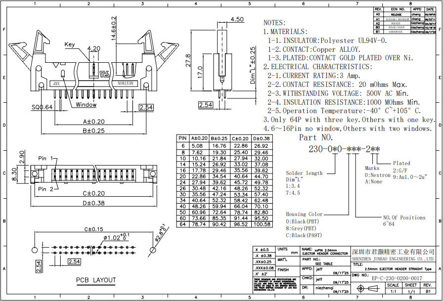
| 型号 |
230-0X0-XXX-2XX |
| 系列 | 牛角插座系列 |
| 位数 | 6~64pin |
| 间距 | 2.54mm |
| 额定电流 | 3.0A |
| 额定电压 | 250V |
| 安装方式 | 焊板 |
总览
技术数据
产品认证
工程图
下载

材质Material:
主体Housing:PBT+30%GF,PBT UL94V-0
颜色 Color:Black or Grey
接触端子Contacts:铜合金Copper Alloy.
电气特性Electrical Characteristics:
额定电流Current Rating:3.0 AMP.
耐电压Diclctric Withstanding Voltage: 500V for 1 minute.
绝缘电阻Insulator Resistance: 1000MΩmin. at DC 500V.
接触电阻Contact Resistance: 20mΩmax. at DC 100mA.
工作温度Operating Temperature: -40°C~+105°C.


