IDC插头系列
2.0mm IDC
| 型号 |
811-XX1X-007X-XXX |
| 系列 | 2.0 IDC系列 |
| 位数 | 10~50Pin |
| 间距 | 2.0mm |
| 额定电流 | 1A |
| 额定电压 | 250V |
| 安装方式 | 压接刺破式 |
总览
技术数据
产品认证
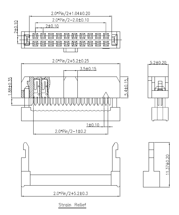
工程图
下载

材质Material:
主体Housing: Polyester,UL94V-0
颜色 Color:Black or Grey
接触端子Contacts:铜合金Copper Alloy.
电气特性Electrical Characteristics:
额定电流Current Rating:1.0 AMP.
耐电压Diclctric Withstanding Voltage: 500V for 1 minute.
绝缘电阻Insulator Resistance: 1000MΩmin. at DC 500V.
接触电阻Contact Resistance: 20mΩmax. at DC 100mA.
工作温度Operating Temperature: -40°C~+105°C.


