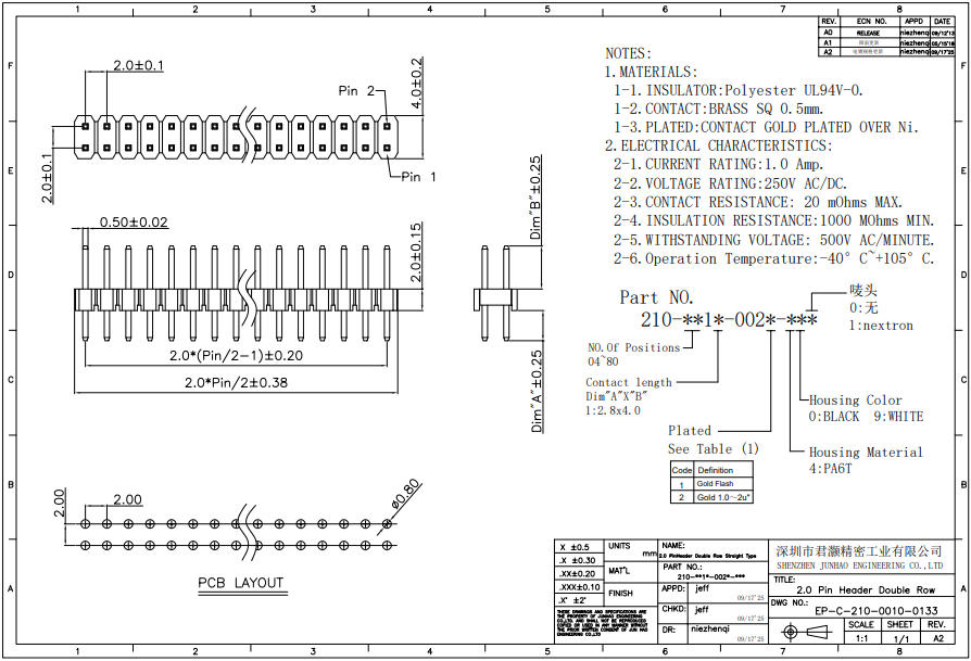
排针系列
2.0mm双排直针
| 型号 |
210-XX1X-002X-XXX |
| 系列 | 2.0排针系列 |
| 位数 | 4-80Pin |
| 间距 | 2.0mm |
| 额定电流 | 1A |
| 额定电压 | 250V |
| 安装方式 | 焊板 |
总览
技术数据
产品认证
工程图
下载

材质Material:
主体Housing: Polyester,UL94V-0
颜色 Color: Black
接触端子Contacts:黄铜Brass.
电气特性Electrical Characteristics:
额定电流Current Rating: 1.0 AMP.
耐电压 Withstanding Voltage: 500V for 1 minute.
绝缘电阻Insulator Resistance: 1000MΩmin. at DC 500V.
接触电阻Contact Resistance: 20mΩmax. at DC 100mA.
工作温度Operating Temperature: -40°C~+105°C.


